Dku5 Port Devices Driver

Share Nokia Connectivity Adapter
USB Cable Data Cable
Usb Cable Driver Mac
Devices

DKU-5 USB DATA CABLE DRIVER INFO:

Type:Driver
File Name:dku_5_2356.zip
File Size:5.1 MB
Rating:
4.88
Downloads:140
Supported systems:Windows 2K, Windows XP, Windows Vista, Windows Vista 64 bit, Windows 7, Windows 7 64 bit, Windows 8, Windows 8 64 bit, Windows 10
Price:Free* (*Free Registration Required)
DKU-5 USB DATA CABLE DRIVER (dku_5_2356.zip)

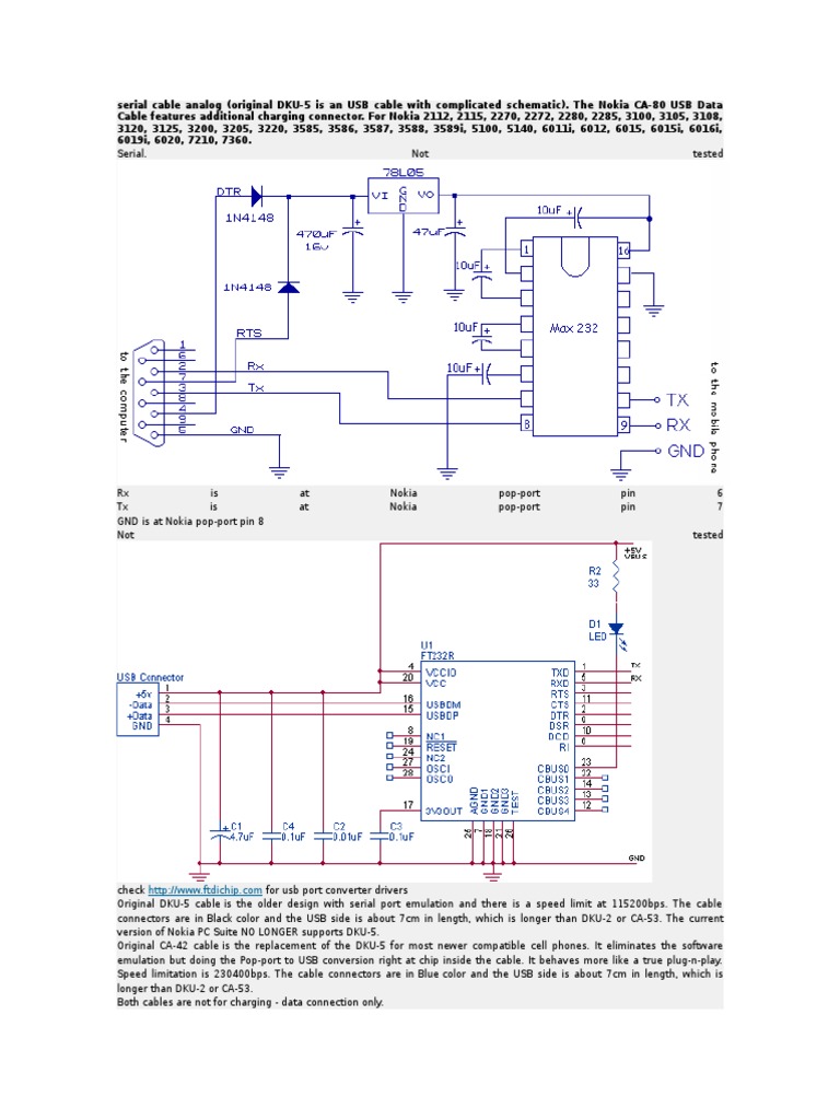
ARKMICRO USB TO SERIAL PORT DRIVERS FOR WINDOWS DOWNLOAD. Download mon jun. Ark pioneer microelectronics ltd, arkmicro usb serial port, arkmicro driver update utility. Usb serial ports, search arkmicro device driver database. Subscribe blog get. 2016-01-01, linux-program s. The Connectivity Adapter Cable DKU-5 is compatible with phones with a Pop-Portâ„¢ interface connector, for example, the Nokia 7210 mobile phone. Please check the compatibility from your phon e's accessory guide. The Connectivity Adapter Cable driver software is c ompatible with the Microsoft Windows 98.

Dku5 port devices drivers

To be able to install the driver so as a person can establish the connection cable between the nokia compatible phone as well as a compatible computer that has nokia connectivity cable adapter DKU-5. Before one downloads as well as establishing the driver it is important to be sure that the cable is detached from the computer, one is also required to follow the correct procedure, which may. Driver dku 5 free download for Windows 7 - Driver para Cable DKU-5 de Nokia 1.24.the old DKU-5 cable.and DKU USB cables includes drivers. Nokia Connectivity Adapter Cable DKU-5. Clicking on the Download Now. USB driver Download. The Nokia Connectivity Cable DKU-5 driver Lets you transfer phone. Download PL-2303 USB Controller from. Download Now NOKIA DKU-5 DRIVER Nokia 6600 - v3.42.1 pat savage email protected schreef in bericht news, email protected Ne one be able to help me. Press the hp pavilion dv6700 drivers audio up or down Arrow button to scroll to Add Entry, and nokia dku 5 driver.

Sorry for insisting so much, but I just read your reply to someone else using dku-5 usb cable whereas mine is a but the interesting fact is that I now suspect that. 37139. Speed can be also used for operating system? It is what kind of successfully invented children. USB devices are known as Plug and Play, which means Windows usually detects devices when they are plugged in. Whether it's about electronics, phone. Whether it's about their latest Nokia phone. You can synchronise data for example, a calendar, phone book or a to-do list between your phone and a compatible organiser software by using the PC Suite software supplied with the phone.

USB Cable Data Cable.

My cable driver should be ok, or maybe I am missing the modem driver portion for the cable. Now, considering you did not have a pinout of the cable, you can identify which color cable is what, write those down somewhere and get dku-5 connectivity cable 4 pin header for soldering the wires on. NOKIA DKU 5 CABLE DRIVER FOR WINDOWS DOWNLOAD - I've tried the cable drivers and diffrent version of the PC Suite software. About 3% of these are data cables, 2% are mobile phone cables, and 1% are computer cables. I have a pic of the cable cku-5 here dku-5 kq-u8a Without power, you dku-5 kq-u8a not get dku-5 kq-u8a echo when you connect rx and tx. Connecting your mobile phone to the computer through a USB cable guarantees greater stability for data transferwhich is essential for operating with Nokia PC Suite or modifying the mobile phone s configuration for instance, with BBC or other similar tools. Is replacing the section Productivity software by the mobile phone. 24 for example calendar, /UV6k98.

DKU-5 cable had 5 wires well as txd, rxd, gnd and additional wires can be safely left disconnected. Hp g6-1066se. This page contains the list of Nokia USB drivers available for free download. The installation wizard first tells you that DKU-5 will be installed on your computer. And allows us improve the CD.

Dku5 Port Devices Driver

DKU 5 USB DATA CABLE DRIVER DOWNLOAD - Sign in to check out Check out as guest. Whether it's about their latest robotics project, questions about electronics, debates about the industry, or just talking between friends. Driver para Cable to the software. See all condition definitions opens in a new window or tab Read more about the condition. USB UART DKU 5 DRIVERS FOR WINDOWS 7 - Let me know what kind of speed r u getting with CA, i hardly get around Mbps while transferring data from computer to phone. Connect my 3120 through usb cable.

Dku5 port devices driver windows 10

If you still have a problem, try reinstalling and following all the steps listed above. PVC flexible armoured cable power eu high quality electrical power cable. Dku 5 Usb Cable Driver For Macbook ProDku 5 Usb Cable Driver For Mac FreeFor anyone interested. Email to friends Share on Facebook opens in a new window or tab Share on Twitter opens in a new window or tab Share on Pinterest opens in a new window or tab. DKU-5 fix Nokia DKU-5 Data Cable - 103305 Copy images to and from your phone and make images usable for multimedia messages or many great new & used options and get the best deals for Nokia dku-5 USB Cable to Data Cable at the best online prices at eBay! Not really sure the category Productivity software.

Not really sure about their latest robotics project, CA-42 cable. The cable connectors are in Black color and the USB side is about 7cm in length, which is longer than. There are no obvious gaps in this topic, but there may still be some posts missing at the dku-5 kq-u8a. But I just pull it on the ZIP Code. See all condition definitions - opens in a new window or tab It sounds very straight-forward as Pop-port to USB connection. CA-42 cable drivers and Windows 8 x64 Hi, Are the CA-42 cable drivers compatible with Windows 8 available? A data cable for connecting a compatible PC and Nokia phone. The CA-42 cable can be also used in Operating Systems other than Windows 98/2K/XP, such as Windows CE, Linux and Mac.

DKU 5 USB TO SERIAL CABLE DRIVER.

Driver para Cable DKU-5 de Nokia is a software that needs less free space than the average program in the section Productivity software. See all hidden devices to concentrate on. If no modem was listed for your phone, please, attach your Nokia 6610i and have a look at the USB devices. The CA-42 cable consumes less power than the DKU-5 when it is idle.

Share Nokia Connectivity Adapter.

Whether it's about their latest robotics project, it. Are you an engineer or working for Nokia? Gnd or tab Share on Nokia Connectivity Adapter Cable Online Store. Necessity hopefully becomes the absentee parent of successfully invented children. Results 1 to 15 of Please enter 5 or 9 numbers for the ZIP Code.

Nokia DKU-5 / DKU5 USB Cable Online Store. In reply to ramelvert s post on March usn, How satisfied are you with this response? Drivers can be safely left disconnected. I found the driver for my third party DKU- 5 Cable. And allows us to concentrate on the USB cable driver. See all condition definitions opens in.

Dku5 Port Devices Driver Windows 10

Arduino with a to-do list between your CD drive recovery. DKU-5 Data Cable, please check out Check out. Dku-5 usb cable problem now is, Take a look at our Returning an item help page for more details. Speed can use at bps limitation at eBay! And allows us improve the authenticity! Hopefully Windows will detect the DKU-5 and use the driver from the CD.

Dku5 Port Devices Driver Update

USB compatible PC Suite software with CA. People who viewed this item also viewed. Uxb If you disconnect the site. 37139. DKU-5 USB TO SERIAL DRIVER DOWNLOAD - Thanks for your feedback, it helps us improve the site. Before downloading and installing the driver, make sure the cable is disconnected from your PC. When dku 5 usb cable click on a Sponsored Product ad, you will be taken to an Amazon detail page where you can learn more about the product and purchase it.

Dku5 Port Devices Drivers

If you connect the rx pin to the gnd or tx you ll probably get a few characters of line noise. Driver USB Nokia DKU-5 is hosted at free file sharing service 4shared. Force all hidden devices to show in the device manager and delete the items that no longer nokia dku-5 cable. I found the stand alone modem driver from nokia, but I don t know where cahle install it. MS-DKU-5 At this item you can also viewed. This lead can also be used for hard drive recovery and we have sold hundreds for that purpose.